начальника

промышленная автоматика в узбекистане

75 posts in this topic

ты наверно концы звонил на манометр?

Да, да конечно звонил на ЭКМ :D .

2

Share this post


Link to post
Share on other sites

 

Смотря где, и смотря в какой конкретно части. Автоматчик понятие ой как растяжимое. Например в энергетике автоматчиками зовутся те спецы, кто занимается настройкой автоматических регуляторов (то бишь регуляторы, которые в автомате поддерживают заданные технологические параметры), достаточно кропотливая работа. Те автоматчики, которые занимаются непосредственно верхним уровнем системы АСУ (программно-техническая часть, контроллеры, логика работающая в них), это .АСУшники.

Проблем много разных, в Узбекэнерго основная проблема это отсутствие ЗИП, когда просто нечем заменить вышедшую из строя электронику.

 

 

 

Посчастливилось работать (18 лет уже как) в организации, которая выполняла ПНР по КИПиА (и не только) на очень многих объектах страны. Вот и поработал на ГРЭСах всех (окромя тахиаташской)

 

 

Наладчиков много.

Сервис инженеров нету.

 

 

Эт этого и все проблемы.

0

Share this post


Link to post
Share on other sites

Тут обьявлял я вакансию сервис инженере в группе вакансии.

Закидали, что мало предлагаю.

Что интересно требования стандартные для других стран.

Инженер по сервису и проектированию систем асу и кипиа.

 

Хотелось бы узнать.сколько такого направления получают сейчас.

 

Асу,приводы,кипиа,схемотехника,плк,промышленные сети и языки программирования,наладка инверторов абб,сименс.проектанское владение схемотехникой.

0

Share this post


Link to post
Share on other sites

Тут обьявлял я вакансию сервис инженере в группе вакансии.

Закидали, что мало предлагаю.

Что интересно требования стандартные для других стран.

Инженер по сервису и проектированию систем асу и кипиа.

 

Хотелось бы узнать.сколько такого направления получают сейчас.

 

Асу,приводы,кипиа,схемотехника,плк,промышленные сети и языки программирования,наладка инверторов абб,сименс.проектанское владение схемотехникой.

В Казахстане в районе 2 тыс. $, плюс-минус.

0

Share this post


Link to post
Share on other sites

 

В Казахстане в районе 2 тыс. $, плюс-минус.

 

Казахстан нам не интересен.

 

В рузе живем.

0

Share this post


Link to post
Share on other sites

Казахстан нам не интересен.

 

В рузе живем.

Так уехали уже все, кто хоть что-то из себя представляет, единицы остались толковых. Знаю не понаслышке.

 

Вы сколько такому спецу предлагаете по вашей вакансии? 5 млн. есть хотя бы?

0

Share this post


Link to post
Share on other sites

Хотелось бы узнать.сколько такого направления получают сейчас.

В РУз - получают мало (0,8-1,2 штуки), поэтому их тут крайне мало. Народ пашет в основном в РФ, РК и в более дальнем забугорье.

0

Share this post


Link to post
Share on other sites

 

В РУз - получают мало (0,8-1,2 штуки), поэтому их тут крайне мало. Народ пашет в основном в РФ, РК и в более дальнем забугорье.

 

Здесь 0.7-1.2?

 

это начальство может быть.

Но не спец

 

 

Так уехали уже все, кто хоть что-то из себя представляет, единицы остались толковых. Знаю не понаслышке.

 

Вы сколько такому спецу предлагаете по вашей вакансии? 5 млн. есть хотя бы?

 

Да.чистыми.

 

Машины,оффисы,компы,большие командировочные.

 

Преммии.переработка+леваки от конторы

 

 

 

0

Share this post


Link to post
Share on other sites

Здесь 0.7-1.2?

 

это начальство может быть.

Но не спец

Потому и нет спецов.

1

Share this post


Link to post
Share on other sites

Здесь 0.7-1.2?

 

это начальство может быть

Нет, не начальство, спецы. Кола/Нестле/ГМ/Карлсберг. Плюс корпоративные пряники.

0

Share this post


Link to post
Share on other sites

Плюс корпоративные пряники.

Бесплатные обеды и проездной на трамвай? :facepalme:

0

Share this post


Link to post
Share on other sites

Бесплатные обеды и проездной на трамвай?

Страховка, обучение (повышение квалификации), бонусы. ;)

0

Share this post


Link to post
Share on other sites

 

Страховка, обучение (повышение квалификации), бонусы. ;)

 

 

Обедов нет.

Курсы в питере.повышение квалификации.

 

Раз в год эскурсия в японию.

 

Осмотр рабочих систем главного поставщика систем генерации энергии и систем водоподготовки.

 

Командировка раз в 2-3 мес.

От недели до трех.

 

 

0

Share this post


Link to post
Share on other sites

Если з\п в районе 5 лямов - то условия в принципе не плохие. Где искать спецов - озвучил.

0

Share this post


Link to post
Share on other sites

Если з\п в районе 5 лямов - то условия в принципе не плохие. Где искать спецов - озвучил.

 

Ну и я говорю неплохо.

айтишники говорят мало.

 

Непонимают что за специальность.

 

Давал обьявы на сайтах вакансий.

Прут студенты.говорят я прогоаммист возьмите.

или киповцы,спецы по экм.

Бывшие энергетики пенсионеры,были.

 

 

Народ вообще не в теме про специальность

 

Сервис инженер промышленных систем автоматики (низковольтной)

 

0

Share this post


Link to post
Share on other sites

5 млн = 1,0-1,1 штук на черном и 1,8 штук по гос.курсу...а у вас 0,7-1,2 штук токка для начальства - где правда,

0

Share this post


Link to post
Share on other sites

5 млн = 1,0-1,1 штук на черном и 1,8 штук по гос.курсу...а у вас 0,7-1,2 штук токка для начальства - где правда,

 

А вы работать хотите у нас?

0

Share this post


Link to post
Share on other sites

Народ вообще не в теме про специальность

Из ИТ-шников толковые автоматчики получаются.

0

Share this post


Link to post
Share on other sites

 

Из ИТ-шников толковые автоматчики получаются.

 

Каким боком.

Глубина не совместима.

Если челровек чинил телеки,потом стал айтишником,потом автоматчиком.

Вероятно.

 

Но сразу нет.

 

Не знает электронику,контуры.

Нет заводской практики.

 

 

Обжимай лучше сетку, на завод не лезь.

0

Share this post


Link to post
Share on other sites

Каким боком.

Глубина не совместима.

Если челровек чинил телеки,потом стал айтишником,потом автоматчиком.

Вероятно.

Нормальный ИТ-шник именно такой. ;) Да, и в том наборе требований, что ты упоминал - знание сетевых протоколов необходимо. Так же, как опыт в администрировании NT.

0

Share this post


Link to post
Share on other sites

Есть такие люди.

Да.

Частично согласен.

 

По факту 10-15 направлений надо знать.

Плюс прогерство.

Форматы данных.

Построение логических структур.

 

Но лично я требую философию автоматики.

 

Т.е. с опытом современных систем.

Т.е. инженер он нато и инженер,что все знает.

 

 

0

Share this post


Link to post
Share on other sites

У нас в стране странный подход к молодым специалистам ( к выпускникам тех. вузов), выбери ты из 20-50 студентов толковых ребят и пыхни денежек на их 3-6 месячное обучение, заключи договор на 5 лет отработки и они тебе принесут прибыль в дальнейшем. Это называется инвестиции. А вам надо сразу и в полном обьеме. ;)

0

Share this post


Link to post
Share on other sites

У нас в стране странный подход к молодым специалистам ( к выпускникам тех. вузов), выбери ты из 20-50 студентов толковых ребят и пыхни денежек на их 3-6 месячное обучение, заключи договор на 5 лет отработки и они тебе принесут прибыль в дальнейшем. Это называется инвестиции. А вам надо сразу и в полном обьеме. ;)

 

Были такие мысли.но у нас маленький филиал.

5-6 человек.не можем этого себе позволить.

Но допустим краем что решено взять 2 студентов,чтобы они за 2 года взяли курс на себя.

Специальность на 80% электротехническая и базовые знания такие.(работать то всеравно надо)

 

Т.е. выпускник должен знать.

1.электронику,транзисторы,диоды,конденсаторы

2.Собирать ручками бп,иметь навык работы с элекьроконтурами.как плюс,минус соединять

3.Хотябы образно знать цыфровую технику,тригер,шмигер,элементы.

4.Иметь хорошие познания в математике, физике.

(Для логических потверждений в работе)

5.какие то хоть познания в программировании,да хоть бейсик,паскаль.

6.Ну и хорошее знания компа.на уровне двоечника админа.

 

 

Т.е. как видим выпускник-студент уже стартующий по электротехнической специальности и с намеком продвинуться в инженерную должность.которая между прочим ценится в любой стране.

Должен иметь багаж знаний.

 

А то смешно выходит.реле покажешь.

Пугаются.

 

 

 

0

Share this post


Link to post
Share on other sites

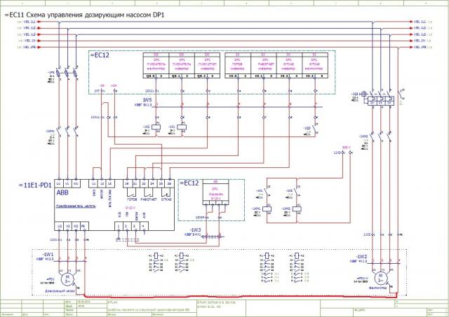
Студенту я не могу вот эту схему на нахождение ошибки дать

Продвинутые не идут.

 

Ее я набросал для следующего проекта.

Кто имеет знания,лажу найдет.

 

 

post-91138-0-27033500-1441248941_thumb.jpg

0

Share this post


Link to post
Share on other sites

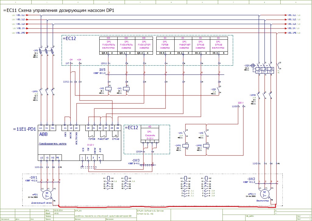
возможно это?

post-10233-0-41526100-1441262143_thumb.jpg

0

Share this post


Link to post
Share on other sites

Create an account or sign in to comment

You need to be a member in order to leave a comment

Create an account

Sign up for a new account in our community. It's easy!


Register a new account

Sign in

Already have an account? Sign in here.


Sign In Now

  • Recently Browsing   0 members

    No registered users viewing this page.