2 639 posts in this topic

1 час назад, Messir сказал:

Почему нельзя гибкой медью соединить траверсу с виноградником

Я сказал нельзя? Я предложил один из вариантов. Можно под болт гайка шайба наконечник.

1

Share this post


Link to post
Share on other sites

Большое спасибо за советы.

Ещё такой вопрос. Вводной кабель АВВГ пойдет от столба через чердак и спустится по наружной стене к ящику. От двух одинарных автоматов в ящике уйдут медные провода опять на чердак, в распаячную коробку. Один на дом, второй на баню. Можно ли использовать один общий ноль от ящика до коробки? И посадить баню и дом на этот общий ноль в коробке. Или для каждого строения тянуть свой ноль непосредственно в ящик? И ещё, по фасаду хочу пустить и ввод и выводы в одном пластиковом коробе. Для красоты. 

 

0

Share this post


Link to post
Share on other sites
3 часа назад, Messir сказал:

Вводной кабель АВВГ пойдет от столба через чердак и спустится по наружной стене к ящику.

Инспектору может не понравиться, т.к под чердаком можно нахимичить. А так в принципе можно.

3 часа назад, Messir сказал:

От двух одинарных автоматов в ящике уйдут медные провода опять на чердак, в распаячную коробку. Один на дом, второй на баню. Можно ли использовать один общий ноль от ящика до коробки? И посадить баню и дом на этот общий ноль в коробке.

Можно использовать один общий ноль только сечение должно быть равно либо больше суммы двух фазных проводов. На ноль тоже автомат поставь.

3 часа назад, Messir сказал:

по фасаду хочу пустить и ввод и выводы в одном пластиковом коробе. Для красоты. 

Лучше утопить в штукатурку. Если солнечная сторона - короб не желательно.

Edited by wirruss656
0

Share this post


Link to post
Share on other sites
17 часов назад, wirruss656 сказал:

На ноль тоже автомат поставь.

Два автомата на фазу и один на ноль? Итого 3 одинарных автомата? Почему ноль должен быть через автомат? Если предусматривать полное отключение питания, то логичнее поставить двойной автомат на каждое строение, а то мало ли что с этим нулевым приключится... Почему нельзя использовать прямой ноль через клемник, без автомата? Или это на случай, если в будущем на столбе поменяют подключение? Ну тогда и счетчику тоже придется несладко...

 

17 часов назад, wirruss656 сказал:

Лучше утопить в штукатурку.

Это там не вариант... Если только перед предстоящим ремонтом, но когда это будет... Я ищю бюджетное решение. Крепить всё это хомутами неэстетично, поэтому и решил в коробе. А если он на солнце и поменяет цвет, так его всегда заменить можно, 10 тыщ сум и всё. 

0

Share this post


Link to post
Share on other sites

Очень странно форум работает... Ответы, которые уже были - пропали. Потом вдруг появляются. Мой последний комментарий так и не появился.. Уже и кэш чистил, и в другом браузере пробовал. Это у всех так или только у меня?

0

Share this post


Link to post
Share on other sites

И снова здравствуйте.

Ввиду отсутствия времени и похолодания не могу довести до конца начатое. 

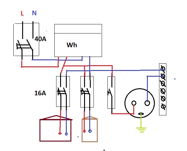
На данный момент собрал вводной щит. вводной автомат 40А, два двойных автомата на дом и на баню по 16А и один одинарный 16А на доп розетку в ящике и на будущее. Художник из меня очень хороший, поэтому прошу оценить творчество. 

vvod.jpg.435c52e5985993f5bd8fc81fee70b54e.jpg

 

 

 

 

 

 

 

 

 

 

 

 

 

 

Карболитовую коробку СССР не нашел. Ехать за ней на Янгиабад разве что? 

 

Общий ноль делать не буду, каждому строению поведу свой ноль из сответствующего автомата. Можно ли просто пустить из щитка в распаячную коробку медный кабель 4х4 или обязательно для каждого использовать 2Х4? 

Вводной кабель 4х6 подключить на существующий на изоляторах просто скруткой или лучще сделать болтовое соединение? Или что еще есть для наджности и безопасности? 

Сам кабель можно закрепить к трубе траверсы бандажом или хомутами? 

 

0

Share this post


Link to post
Share on other sites

Бывает и такое - завышенный номинал автоматического выключателя и сам автомат. выключатель подделка.

 

photo_2018-11-29_11-17-47.jpg

3

Share this post


Link to post
Share on other sites

Что-то моё замечательное художество не отображается. Повторю.

На ваш суд.

vvod.jpg.f3fb126757529bede47871ed049fadac.jpg

0

Share this post


Link to post
Share on other sites
3 часа назад, Messir сказал:

На ваш суд.

все хоккей!

0

Share this post


Link to post
Share on other sites
7 минут назад, wirruss656 сказал:

все хоккей!

Меня вдуг стал смущать вводной автомат на 40А. Не многовато-ли? 

И вопрос насчет подключения к существующей линии - скрутка, болты или есть на рынке что-то еще? 

0

Share this post


Link to post
Share on other sites
2 минуты назад, Messir сказал:

Меня вдуг стал смущать вводной автомат на 40А. Не многовато-ли?

Автоматический выключатель подбирается по сечению проводника.

4 минуты назад, Messir сказал:

И вопрос насчет подключения к существующей линии - скрутка, болты или есть на рынке что-то еще?

Можно так 

hnjbd.jpg

0

Share this post


Link to post
Share on other sites
10 минут назад, wirruss656 сказал:

нАвтоматический выключатель подбирается по сечению проводника

Так по Вашей же рекомендации, от столба до траверсы идет одножильный алюминий 10 мм², который на траверсе соединится (скруткой или болтами?) с АВВГ 4Х6, который пройдет по чердаку и войдет в вводной автомат 40А, далее на счетчик, далее на автоматы по 16А для каждого строения, а от 16А уже пойдет медный кабель 4 мм².

Edited by Messir
0

Share this post


Link to post
Share on other sites
14 минут назад, wirruss656 сказал:

Можно так 

Разве можно так на открытом воздухе? Солнце, осадки....

Edited by Messir
0

Share this post


Link to post
Share on other sites
5 минут назад, Messir сказал:

алюминий 10 мм²,

42 А

6 минут назад, Messir сказал:

АВВГ 4Х6

По парно - 12 мм2

7 минут назад, Messir сказал:

медный кабель 4 мм².

35А

0

Share this post


Link to post
Share on other sites
16 минут назад, wirruss656 сказал:

По парно - 12 мм2

Тут я не совсем понял. У меня кабель 4Х6, из которого задействованы 3 жилы - фаза, ноль и заземление траверсы. Никакого попарно нет. Да и вводной автомат стоит не перед этим кабелем, а после, и сам кабель не защищает.

Edited by Messir
0

Share this post


Link to post
Share on other sites
5 минут назад, Messir сказал:

Разве можно так на открытом воздухе? Солнце, осадки....

можно

3 минуты назад, Messir сказал:

У меня кабель 4Х6

32А

0

Share this post


Link to post
Share on other sites

Требуется приобрести стаб на 10ква. Релейный или симисторный. Пробежал по жами...кроме Прайма и смотреть нечего. 

Стабики где есть? Куда податься?

Срочно... 

0

Share this post


Link to post
Share on other sites
1 час назад, T3571 сказал:

Требуется приобрести стаб на 10ква. Релейный или симисторный. Пробежал по жами...кроме Прайма и смотреть нечего. 

Стабики где есть? Куда податься?

Срочно... 

Рынок Бек Топи, магазин № 105. 

Абдуфаттох +998977067062

                     +998946529998

1

Share this post


Link to post
Share on other sites
3 часа назад, T3571 сказал:

Релейный или симисторный.

Почему именно эти?

 

0

Share this post


Link to post
Share on other sites
3 минуты назад, wirruss656 сказал:

Почему именно эти?

 

Наверное потому, что не хочу латерный...

0

Share this post


Link to post
Share on other sites
4 минуты назад, T3571 сказал:

Наверное потому, что не хочу латерный...

Ну тогда вот контакты магазина Stabik. Брал на прошлой недели 20кВА релейный  - 460$

Магазин  «Stabik» БЕК-ТОПИ   4-й ряд  №84

Tel: +998-95-1942653

+998-97-7067062

Edited by wirruss656
0

Share this post


Link to post
Share on other sites

Да, благодарю всех!)

Завтра поеду, утром.

0

Share this post


Link to post
Share on other sites

И 105, и 84 закрыты.  

Все как обычно...базар мертворождённый. 

Поеду на Малику..

 

0

Share this post


Link to post
Share on other sites

Стаб взял, всем спасибо.

Следующий вопрос...как соединить грамотно провода? 

два медных по 2.5 монолит, И один люминиевый, 3.5(?).

Колодкой что-то не нравится мне...

Есть такие зажимы...оч удобные...но смущает что они на 32А. Нет ли чего то похожего, на больший ток?

IMG2019010_9944475_31138775.jpg

 

0

Share this post


Link to post
Share on other sites
В 09.01.2019 в 16:02, T3571 сказал:

как соединить грамотно провода? 

Облудить медный провод и под болт или скрутку, можно скрутку и алюминиевой гильзой запресовать.

0

Share this post


Link to post
Share on other sites

Create an account or sign in to comment

You need to be a member in order to leave a comment

Create an account

Sign up for a new account in our community. It's easy!


Register a new account

Sign in

Already have an account? Sign in here.


Sign In Now

  • Recently Browsing   0 members

    No registered users viewing this page.