Bart Simpson

Chevrolet Cobalt

44 539 posts in this topic

В кобальте стоит BCM они его прошивают

0

Share this post


Link to post
Share on other sites
14 часов назад, HOBBIT сказал:

В кобальте стоит BCM они его прошивают

Но почему тогда 1.5 часа времени это занимает?

0

Share this post


Link to post
Share on other sites
3 минуты назад, Real Root сказал:

Но почему тогда 1.5 часа времени это занимает?

У нас народ такой, если за 15 минут сделаешь - будут бузить "за что 200тыщ, я и сам мог сделать так" :D

0

Share this post


Link to post
Share on other sites
8 минут назад, HOBBIT сказал:

У нас народ такой, если за 15 минут сделаешь - будут бузить "за что 200тыщ, я и сам мог сделать так" :D

:rofl: Но ведь правильно :)

0

Share this post


Link to post
Share on other sites
On 4/17/2019 at 12:34, Абдулла1 said:

 Тоже проходил через это. Проблема решена. Я нашел в нете фото и видео снятия и смазки мотора печки. Показал их автоэлектрику у автомойки рядом с рестораном "La Piola" возле северного вокзала. И он все сделал. Вырезал, снял, смазал и установил все обратно. Вентилятор печки перестал свистеть. За работу взял 30 000 сум. Еше я купил клейкий паралоновый уплотнитель для домашних окон и дверей за 15 000 сум. Электрик Равшан +998 90 118 15 15. Если поедете к нему передавайте от меня привет ))

блин, а я у своего спросил, он сказал надо мотор печки менять снимая торпедку. около 300т. Обращусь к Ровшану

0

Share this post


Link to post
Share on other sites

Поговорил с Андреем из Ташдэу сервиса, он сказал, что прошивка у них есть и надо бросить два провода до лампы. Даст знать, когда подъехать для эксперимента.

2

Share this post


Link to post
Share on other sites

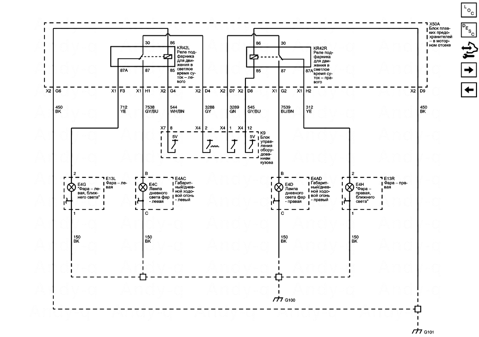
Чтобы запустить ДХО программно и не колхозно, надо снимать блок предохранителей, снимать жгуты, прокладывать два дополнительных провода и ставить 2 ДХО реле. Только после этого можно программировать. На каждую лампу идет своё реле! Это сделано для того, чтобы при включении поворотника одна лампа ДХО гасла. 

Вот родная схема: 

2226422s-960.jpg.f22fde17049e67e5bffc55cb295140cf.jpg

Меня жаба душила делать это за 200к, и я сделал себе сам, через 5-ти контактное реле, с питанием от красного провода корректора фар. В принципе, всё работает. При включении габаритных огней ДХО гаснет. Но почему-то, при этом я слышу короткое жужжание моторчика корректора. 

4

Share this post


Link to post
Share on other sites
13 минут назад, Messir сказал:

Но почему-то, при этом я слышу короткое жужжание моторчика корректора. 

Забавно, у меня точно также, когда включаешь габарит идет звук с фар, отключаешь все тихо, после поездки вроде затихает. У меня равон спарк с заводским дхо

0

Share this post


Link to post
Share on other sites
3 часа назад, Messir сказал:

Это сделано для того, чтобы при включении поворотника одна лампа ДХО гасла

Если не гаснет, нарушение или нет? При включении габаритов гаснет

0

Share this post


Link to post
Share on other sites

Нарушение будет, если ДХО не загорится

 

0

Share this post


Link to post
Share on other sites

Подниму вопрос Bluetooth на родной магнитоле. Вроде бы писали, что с этого года синезуб и USB идут в комплекте. 

Или цену подняли из-за новой магнитолы, а вывести микрофон и USB забыли? Интересует положение дел на 4-й позиции.

Edited by IDDQD
0

Share this post


Link to post
Share on other sites
В 26.04.2019 в 09:13, Messir сказал:

Чтобы запустить ДХО программно и не колхозно, надо снимать блок предохранителей, снимать жгуты, прокладывать два дополнительных провода и ставить 2 ДХО реле. Только после этого можно программировать. На каждую лампу идет своё реле! Это сделано для того, чтобы при включении поворотника одна лампа ДХО гасла. 

Вот родная схема: 

2226422s-960.jpg.f22fde17049e67e5bffc55cb295140cf.jpg

Меня жаба душила делать это за 200к, и я сделал себе сам, через 5-ти контактное реле, с питанием от красного провода корректора фар. В принципе, всё работает. При включении габаритных огней ДХО гаснет. Но почему-то, при этом я слышу короткое жужжание моторчика корректора. 

Где нибудь кроме Тойота(или как там хйундай центр) прошивают ? реально дорого за 200тыс

0

Share this post


Link to post
Share on other sites
В 28.04.2019 в 21:57, IDDQD сказал:

Подниму вопрос Bluetooth на родной магнитоле. Вроде бы писали, что с этого года синезуб и USB идут в комплекте. 

Или цену подняли из-за новой магнитолы, а вывести микрофон и USB забыли? Интересует положение дел на 4-й позиции.

На 4-й все это есть и работает. Брал машину в феврале 2019 года

0

Share this post


Link to post
Share on other sites

День добрый. 

Периодично перестает работать стеклоподъемник у переднего пассажира. Заежал на с. Рахимова, почистили на кнопке что-то, но со временем повторяется. 

Кто с таким встречался, как решали вопрос? 

0

Share this post


Link to post
Share on other sites

Появился странный скрип на холодную с левой стороны, при нажатии на тормоз пропадает, далее на кочке по новой визжит не переставая, как прогреется звук почти исчезает.. куда копать кто подскажет?

0

Share this post


Link to post
Share on other sites
В 02.05.2019 в 12:31, barmaley13 сказал:

Периодично перестает работать стеклоподъемник у переднего пассажира

Мой автоэлектрик починил этот баг под обшивкой водительской двери. 10 минут работы и копейки денег.  

З.ы. Пока не починили, когда ставите авто на сигнализацию - проверяйте, поднялось ли стекло. 

0

Share this post


Link to post
Share on other sites
On 05.05.2019 at 00:02, MeliusMaris said:

Мой автоэлектрик починил этот баг

поменяли блок управления в двери водителя

0

Share this post


Link to post
Share on other sites

Всем привет, кто недавно покупал кобу автомат, у вас тоже нету на багажнике значка 6AT?

0

Share this post


Link to post
Share on other sites
1 час назад, punkara сказал:

Всем привет, кто недавно покупал кобу автомат, у вас тоже нету на багажнике значка 6AT?

Этого значка давно нету  по моему. Экономия! А так, на Сергели или Фархадском полно их. На любой вкус.

 

0

Share this post


Link to post
Share on other sites
5 часов назад, punkara сказал:

Всем привет, кто недавно покупал кобу автомат, у вас тоже нету на багажнике значка 6AT?

Кстати, удобная штука для тех кто сзади следом едет, точно знаешь что акп и назад не покатится. 8) 

Edited by sensor
1

Share this post


Link to post
Share on other sites
49 минут назад, sensor сказал:

Кстати, удобная штука для тех кто сзади следом едет, точно знаешь что акп и назад не покатится. 8) 

Там вроде селектор между паркинг и ход проходит через заднюю передачу. Чет слышал рассказ как на светофоре один так газанул назад. И кажется слышал на форуме. На сколько правда я не знаю.

0

Share this post


Link to post
Share on other sites
В 05.05.2019 в 00:02, MeliusMaris сказал:

Мой автоэлектрик починил этот баг под обшивкой водительской двери. 10 минут работы и копейки денег.  

З.ы. Пока не починили, когда ставите авто на сигнализацию - проверяйте, поднялось ли стекло. 

Перестали работать стеклоподъемники правой стороны. Тупо на одной работает только на опускание, а наверх не подымается, вторая пассажирская дверь то работает, то не работает, чаще не работает. У меня автоэлектрика своего нет, поэтому поехал Пойтахт. Там сразу сказали, что это кнопки. Поставил новые кнопки и всё заработало. Кнопка задней пассажирской двери - 55000, передняя  - типа дефицит, взял за 110.000. Редкость прям какая-то. Заходил в каждый магазин на Сергели и спрашивал эти кнопки.

0

Share this post


Link to post
Share on other sites
3 минуты назад, Real Root сказал:

Там вроде селектор между паркинг и ход проходит через заднюю передачу. Чет слышал рассказ как на светофоре один так газанул назад. И кажется слышал на форуме. На сколько правда я не знаю.

А это, да. Садятся за руль авто с акп и даже не удосуживаются как акп управлять. Просто матизки и нексии старые катятся назад часто. 

0

Share this post


Link to post
Share on other sites
В 02.05.2019 в 12:31, barmaley13 сказал:

Кто с таким встречался, как решали вопрос? 

На рос.форумах так же пишут, что чистят там чего-то, но на долго не хватает. Косяк такой. Или брать несколько кнопочек про запас и менять походу дела. Или чистить и чистить, пока в 0 не счистите :)

0

Share this post


Link to post
Share on other sites
24 минуты назад, Real Root сказал:

Там вроде селектор между паркинг и ход проходит через заднюю передачу. Чет слышал рассказ как на светофоре один так газанул назад.

Ставить на светофоре на паркинг - это ж клиника клиническая :) 

3

Share this post


Link to post
Share on other sites

Create an account or sign in to comment

You need to be a member in order to leave a comment

Create an account

Sign up for a new account in our community. It's easy!


Register a new account

Sign in

Already have an account? Sign in here.


Sign In Now

  • Recently Browsing   1 member